Krivi nosač br. 1 za U-prečnicu
JUS N.F1.601
Nosači izolatora za nadzemne vodove za napone iznad 1kV
JUS N.F1.502
JUS N.F1.606
JUS N.F1.606
Nosači izolatora za nadzemne vodove za napone ispod 1kV
JUS N.F1.601
Nosači izolatora za nadzemne vodove za napone iznad 1kV
JUS N.F1.502
JUS N.F1.606
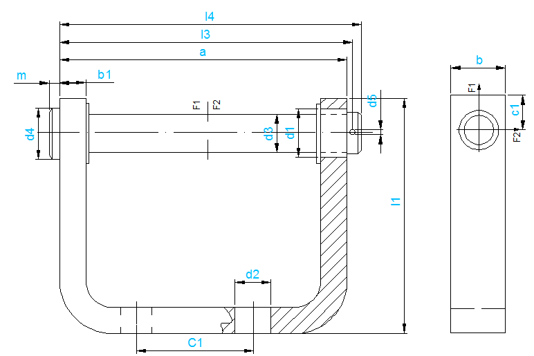
Nosači izolatora za nadzemne vodove
za napone ispod 1kV
JUS N. F1. 901
Nosači izolatora za nadzemne vodove za napone ispod 1kV
JUS N.F1.602
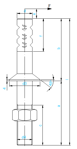
Nosači izolatora za nadzemne vodove za napone iznad 1kV
JUS N.F1.501
JUS N.F1.606
Laze Lazarevića 42, Novi Sad
Telefon:
021/ 466-351
636-88-80
636-88-92
636-95-66
469-098