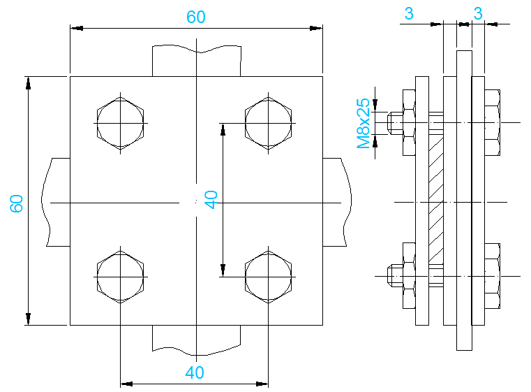
Komad ukrsni
566635
JUS N.B4.936/III 60x60 TT

* Izražene veličine su u milimetrima

Izrađeno prema: JUS N.B4.936/III 60x60 TT
Zaštita: Prema TU PTT Vesniku 9/1975
566635
JUS N.B4.936/III 60x60 TT

* Izražene veličine su u milimetrima

Izrađeno prema: JUS N.B4.936/III 60x60 TT
Zaštita: Prema TU PTT Vesniku 9/1975
Laze Lazarevića 42, Novi Sad
Telefon:
021/ 466-351
636-88-80
636-88-92
636-95-66
469-098