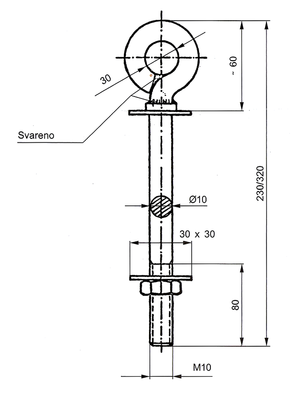
Krajnji nosač za stub PSK 6/750
566428
PTT VESNIK 3/68, 7/74


Izrađeno prema: TU PTT Vesniku 3/68 i 7/74
Zaštita: Prema TU PTT Vesniku 9/1975
Primena: Za najveće opterećenje nosača je 750dN
566428
PTT VESNIK 3/68, 7/74


Izrađeno prema: TU PTT Vesniku 3/68 i 7/74
Zaštita: Prema TU PTT Vesniku 9/1975
Primena: Za najveće opterećenje nosača je 750dN
Laze Lazarevića 42, Novi Sad
Telefon:
021/ 466-351
636-88-80
636-88-92
636-95-66
469-098