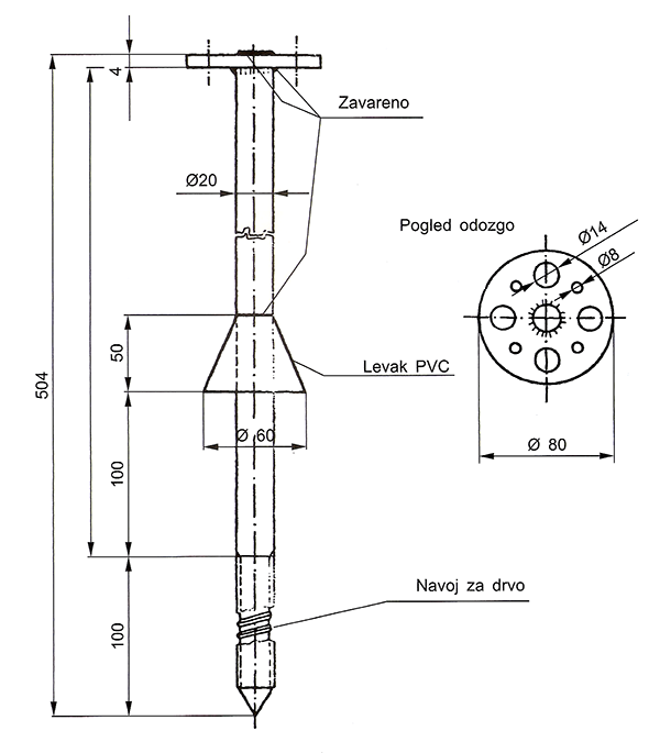
Nosač krovni razvodni PSK 12/300
02.02.99
PTT VESNIK 3/68


Izrađeno prema: PTT Vesniku 3/68
Zaštita: Prema TU PTT Vesniku 9/1975
Primena: Za najveće opterećenje nosača 500dN
02.02.99
PTT VESNIK 3/68


Izrađeno prema: PTT Vesniku 3/68
Zaštita: Prema TU PTT Vesniku 9/1975
Primena: Za najveće opterećenje nosača 500dN
Laze Lazarevića 42, Novi Sad
Telefon:
021/ 466-351
636-88-80
636-88-92
636-95-66
469-098